Fischer GK Kołek do Płyt Gipsowo-Kartonowych z Osadzakiem (100 szt.) 52389
- Oryginalny kołek wkręcany fischer GK do płyt gipsowo-kartonowych. Opakowanie 100 sztuk + osadzak GKW w zestawie. Szybki montaż wkrętarką bez wiercenia. Mała długość (22 mm) pozwala na montaż przy płytkiej pustce. Wysoka jakość.
Kołek fischer GK (nr art. 52389) to klasyk wśród zamocowań do suchej zabudowy, ceniony przez instalatorów za szybkość i niezawodność. Oferta dotyczy opakowania zbiorczego zawierającego 100 sztuk kołków oraz 1 dołączony osadzak (narzędzie montażowe).
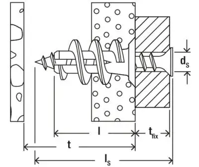
Kołek GK wykonany jest z wysokiej jakości nylonu. Jego specyficzna konstrukcja z ostrym gwintem zewnętrznym sprawia, że wcina się on w płytę gipsową, tworząc pewne zamocowanie kształtowe. Dzięki dołączonemu osadzakowi, montaż odbywa się błyskawicznie przy użyciu wkrętarki, bez konieczności wcześniejszego wiercenia otworu (w standardowych płytach). Krótka długość kołka sprawia, że nie wymaga on dużej przestrzeni za płytą, co jest kluczowe przy cienkich ściankach działowych lub płytkiej zabudowie rur.
Kluczowe technologie i korzyści
-
Montaż bez wiercenia: Kołek wkręca się bezpośrednio w płytę gipsowo-kartonową za pomocą dołączonego osadzaka, co oszczędza czas (nie trzeba zmieniać wierteł).
-
Osadzak GKW w zestawie: W każdym pudełku znajduje się dedykowane narzędzie montażowe, które zapobiega "przekręceniu" kołka w płycie, zapewniając optymalny moment dokręcenia.
-
Krótka długość (22 mm): Kołek wymaga bardzo mało miejsca za płytą. Można go stosować nawet wtedy, gdy nie wiemy, jak głęboko znajduje się mur lub instalacje.
-
Współpraca z różnymi wkrętami: Kołek GK obsługuje szeroki zakres wkrętów do drewna, blachowkrętów i płyt wiórowych o średnicy od 4,0 do 5,0 mm.
-
Demontowalność: Kołek można wykręcić ze ściany (używając osadzaka) tak samo łatwo, jak się go wkręca.
Zastosowanie produktu
Fischer GK jest przeznaczony do szybkiego montażu lekkich elementów w:
-
Płytach gipsowo-kartonowych (pojedynczych i podwójnych).
Idealny do mocowania: obrazów, lamp, instalacji elektrycznych (puszki, korytka), listew przypodłogowych, akcesoriów seryjnych.
Dane techniczne
-
Kod EAN: 4006209523896
-
Nr artykułu (SKU): 52389
-
Marka: fischer
-
Model: GK
-
Długość kołka: 22 mm
-
Min. grubość płyty: 9 mm (zalecane standardowe 12,5 mm)
-
Zalecana średnica wkrętu: 4,0 - 5,0 mm
-
Narzędzie montażowe: Osadzak GKW (w zestawie)
-
Opakowanie: Pudełko składane (Faltbox)
-
Ilość w opakowaniu: 100 sztuk kołków + 1 osadzak
Zawartość zestawu
-
100x Kołek do płyt G-K fischer GK
-
1x Osadzak montażowy GKW
-
(Uwaga: Zestaw nie zawiera wkrętów mocujących przedmiot).






























